АННОТАЦИЯ
Данный дипломный проект посвящается разработке конвертора КГ-80-Ц повышенной садки, в условиях конвертерного отделении медеплавильного цеха Балхашского медеплавильного завода.
В проекте представлена краткая характеристика завода, сделано обоснование выбора основного и вспомогательного оборудования и проведены расчеты.
В пояснительной записке также представлены разделы: монтаж, ремонт и смазка; автоматизация со схемой управления электродвигателем; экономика и организация управления производством с расчетами основных экономических показателей; охрана труда; экология.
СОДЕРЖАНИЕ
| ВВЕДЕНИЕ
1 Оборудование и технология производства1.1 Краткая характеристика Балхашского медеплавильного завода ПО «Балхашцветмет» 1.2 Основные сведения о медеплавильном цехе 1.3 Характеристика сырья, флюсов, топлива и основных технологических материалов 1.4 Анодная печь 1.4.1 Анодная разливочная машина 1.5 Характеристика основного оборудования 1.5.1 Отражательная печь 1.5.2 Конвертер 1.5.3 Печь для получения медных гранул (гранпечь) 1.6 Описание и режимные параметры технологического процесса по переделам 1.6.1 Отражательный передел 1.6.2 Загрузка печей 1.6.3 Отопление печей 1.6.4 Выдача штейна 1.6.5 Отвальный шлак 1.6.6 Отходящие газы 1.7 Конвертерный передел 1.7.1 Характеристика основного и вспомогательного оборудования 1.7.2 Технология конвертирования 1.7.3 Получение белого мата 1.7.4 Работа конвертеров с индивидуальным отсосом газа 1.7.5 Контроль и управление процессом конвертирования 1.8 Анодный участок 1.8.1 Характеристика основного оборудования 1.8.3 Характеристика материалов, перерабатываемых в анодных печах 1.8.4 Технология огневого рафинирования 1.8.4.1 Разделка, заделка и просушка летки 1.8.4.2 Загрузка печи 1.8.4.3 Плавление 1.8.4.4 Съем шлака 1.8.4.5 Окисление 1.8.4.6 Восстановление 1.8.4.7 Розлив
2 Специальная часть
Модернизация конвертера
2.1 Назначение и принцип действия конвертера
2.2 Модернизация газоходного днища конвертера
2.3 Расчет мощности двигателя поворота
2.4 Проверочный расчет мощности двигателя конвертера
с учетом модернизации
2.5 Расчеты на прочность корпуса конвертера3 Ремонт, монтаж и смазка 3.1 Ремонт кислородного конвертора 3.1.1 Машины для ремонта конвертора 3.1.2 Машины для ломки футеровки конвертора 3.1.3 Ремонт футеровки 3.1.4 Ремонт и обслуживание летки 3.1.5 Торкретирование футеровки 3.2 Востановление корпусных деталей 3.2.1 Восстановление трещин и пробоин заваркой 3.3 Монтаж конвертора 3.3.1 Выбор фундамента
3.3.2 Приемка фундаментов
3.3.3 Подготовка фундамента к монтажу3.4 Проект организации работ по монтажу конвертора 3.4.1 Монтаж роликоопор 3.4.2 Монтаж корпуса 3.4.3 Монтаж привода 3.5 Техническая документация, необходимая для производства монтажных работ. График монтажа 3.6 Строповка и такелажные работы 3.6.1Расчет механизма подъема 3.7 Монтажные испытания
3. 8 Подготовка деталей к сборке3.8 Транспортирование деталей 3.9 Смазка 4 АВТОМАТИЗАЦИЯ 4.1 Общие сведения о конвертерах 4.1 Техническое обеспечение 4.3 Описание функционирования системы управления 5 Экономика и организация производства 5.1 Определение объема производительности с помощью графиков
5.2 Годовая производственная программа участка конвертирования до и после модернизации
5.3 Расчет стоимости зданий и сооружений
5.4 Расчет затрат на оборудование
5.5 Расчет численности рабочих и фонд заработной платы рабочих, ИТР служащего персонала
5.6 Расчет себестоимости конвертирования до и после модернизации
5.7 Расчет технико-экономических показателей до модернизации и после модернизации
5.8 Технико-экономические показатели6 Охрана труда 6.1 Анализ опасных производственных факторов 6.2 Организационные мероприятия 6.3 Технические мероприятия по безопасности работ 6.3.1 Защита от механических травм 6.3.2 Обеспечение электробезопасности 6.3.4 Расчет защитного заземления 6.4 Санитарно-гигиенические мероприятия 6.4.1 Обеспечение спецодеждой, спецобувью, предохранительными приспособлениями 6.4.2 Организация искусственного и естественного освещения 6.4.1 Расчет искусственного освещения 6.4.2 Защита от шума 6.4.3 Защита от вибраций 6.4.2 Противопожарные мероприятия ЗАКЛЮЧЕНИЕ СПИСОК ЛИТЕРАТУРЫ
|
|
1 Оборудование и технология производства
1.1 Краткая характеристика Балхашского медеплавильного завода ПО «Балхашцветмет»
... Продукция объединения используется в электротехнической, авиационной, химической, радиоэлектронной промышленности, в сельском хозяйстве.
Объединение перерабатывает рудное сырье, содержащее 18 ценных компонентов: медь, молибден, серу, железо, рений, свинец, кадмий, никель, золото, серебро, селен, теллур, висмут, цинк и другие. Технологическая схема позволяет из 18 - 14 компонентов извлекать в различные виды товарной продукции.
1 марта 1981года во исполнение приказа МЦМ Каз ССР от 29 января 1981года за № 38 «Об изменении структуры Управления на БГМК» был создан Балхашский Медьзавод, включив в состав завода цеха: ЦПШ, МПЦ, ЦЭМ, СКЦ, РМЦ, ЦРМП. БМЗ неоднократно преобразовывался: трижды создавался как завод (это 01.03.1981г., 26.06.1991г., 10.03.1997г.) и являлся частью комбината с прямым цеховым подчинением.
В настоящее время БМЗ входит в состав ПО «Балхашцветмет» филиала ТОО Корпорации «Казахмыс» и выдает более 80% товарной продукции. Рост производства собственной меди в 2004 году увеличился в сравнении с 2003 годом на 7%.
За время существования БМЗ прошел большой и сложный путь, постоянного наращивания производства и внедряя новейшие достижения в комплексности использования сырья.
На сегодняшний день БМЗ включает в себя цеха: подготовки шихты, медеплавильный, электролиза меди, ремонта металлургических печей, очистки и нейтрализации газа, пылеугольный, очистки газового тракта, ремонтно-монтажный, ремонтно-строительный и другие службы. ...
2 Специальная часть
Модернизация конвертера
2.3 Расчет мощности двигателя поворота
1 – Рабочий электродвигатель мощностью 32 кВт, 2 – аварийный электродвигатель мощностью 46 кВт, 3 – тормозная муфта, 4 – зубчатый венец, 5 – корпус печи, 6– - редуктор, 7 – зубчатая муфта, 8 – шестерня.
Рисунок 2.4 – Кинематическая схема привода поворота
5 Экономика и организация производства
5.7 Расчет технико-экономических показателей до модернизации и после модернизации
... Годовой выпуск продукции до внедрения модернизации Q=81420 т. После модернизации Qм=88704 т.Себестоимость до внедрения составляет с/с=71305,5 тенге, а после модернизации С/См = 71286,39 тенге. На единицу продукции
Дополнительные капитальные вложения на модернизацию конвертера составят [7]:
................................ (5.2)
где К2 – затраты на модернизацию, К2=150000 тенге
Q2 – дополнительная производительность после модернизации
тенге.
Расчет коэффициента экстенсивной нагрузки.
......................... (5.3)
где Тк – календарное время, 365 суток
Тобщ – общее время работы конвертера в год, 295 суток ...
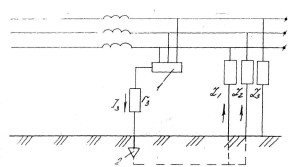
6.3.4 Расчет защитного заземления
... Так как искусственный заземлитель достаточно больше чем естественный заземлитель, можно пренебречь влиянием полей растекания тока друг на друга.
Общее сопротивление всего заземляющего комплекса равно
................................ (6.7)
Заключение: проектируемый групповой контурный заземлитель, состоящий из 10 вертикальных стержневых электродов (высотой 5 м и диаметром 0.05 м) и горизонтального электрода в виде стальной полосы длиной (56.5 м и шириной 0.5 м), заглубленных в землю на 0.7 м, отвечает требованиям ПЭУ.
Заземление осуществляется в соответствии с рисунком 1.
СПИСОК ЛИТЕРАТУРЫ
1. Басов А.И. Справочник механика заводов цветной металлургии.
-М.: Металлургия, 1981.
2. Черновский С.А. Курсовые проектирования деталей машин. – М.: Машиностроения, 1979.
3. Иванов М.Н. Детали машин. – М.: Высшая школа, 1991. ...

